94 Dodge Dakota Radio Wiring Diagram
Detroit Ddec 4 Ecm Wiring Diagram, How to start a Series 60 Detroit Swap Mawk wiring 12.7 14L DDEC IV, 3.78 MB, 02:45, 32,122, Bob Brenner, 2019-03-14T23:37:55.000000Z, 19, Ddec Iv Ecm Wiring Diagram, schematron.org, 5100 x 3300, png, ddec ecm schematic diesel lt9500 freightliner schematics cableado injector justanswer celect amp3 6v92 fuse floraoflangkawi, 20, detroit-ddec-4-ecm-wiring-diagram, Anime Arts
[diagram] 93 dodge dakota radio wiring diagram full version hd quality. 17 pictures about [diagram] 93 dodge dakota radio wiring diagram full version hd quality : I need a printout of wiring diagram for a 1995 dodge dakota help. Headlight switches tend to over heat and melt wiring harness replace switch and harness should help with this.
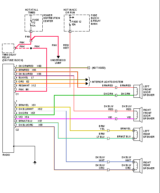
Having a dodge radio wiring diagram makes installing a car radio easy. Find the dodge stereo wiring diagram you need to install your car stereo and save time. Casey, ask and you shall. Radio wiring diagram for 94 dodge dakota. 1994 dodge dakota car stereo wiring diagram car radio battery constant 12v+ wire: Red/blue car radio accessory switched 12v+. Dakota dodge 2000 wiring harness diagram. Repair guides www. autozone. com. Vacuum dodge diagram dakota line diagrams autozone 1980 toyota guides repair emission pickup wiring repairguide px source.
I need the wiring diagram for the instrument panel on a 1994 Dodge Dakota. Also, the wiring
1994 Dodge Dakota Radio Wiring Diagram - QUENTINSPEAKS

1994 Dodge Dakota Radio Wiring Diagram - QUENTINSPEAKS

94 Dodge Dakota Wiring Diagram - Wiring Diagram

94 Dodge Ram Wiring Diagram Rear - Wiring Diagram Networks
I need the wiring diagram for the instrument panel on a 1994 Dodge Dakota. Also, the wiring

94 Dodge Dakota Wiring Diagram - Wiring Diagram

94 Dodge Ram Radio Wiring Diagram - 95 Dodge Dakota Wiring Diagram Type Diagrams National : Car
I have a 94 dakota 2.5. Intermittent engine failure I have found a bad splice under the relay
1994 dodge dakota Overdrive Issues please help - Page 5 - DodgeForum.com

